冶金、石油、化工等行业中各种蒸汽、烟气、空气等的余热、针对余热发电不稳定的情况而专门的设计的炉型,其工作原理是通过燃料(厂区富余煤气或天然气等)燃烧产生高温烟气与余热介质进行换热,将余热烟气的温度提高,以满足余热锅炉的设计运行要求,从而提高余热锅炉的工作效率。
系统特点:
a) 采用蓄热式燃烧器,燃烧器的主燃气室与助燃风室采用多层交替布置,并设有旋流片,有效加强了空气与燃料的混合;针对高炉煤气设置了稳燃装置,保证煤气压力在较大范围内波动时仍能够保持稳定燃烧,不脱火、不回火
b) 采用多层分级配风设计和气膜保护风结构,不但有效的降低NOx的生成,还有效保持炉温,延长耐火浇注料的使用寿命
c) 选用公司自主研发的NBMS燃烧控制系统,实现补燃系统的自适应动态稳定
d) 对余热的供给范围要求低,可以实现0-110%的自适应调整
e) 充分利用现场设施,合理布置系统设备,节约投资,系统简洁可靠、检修维护方便
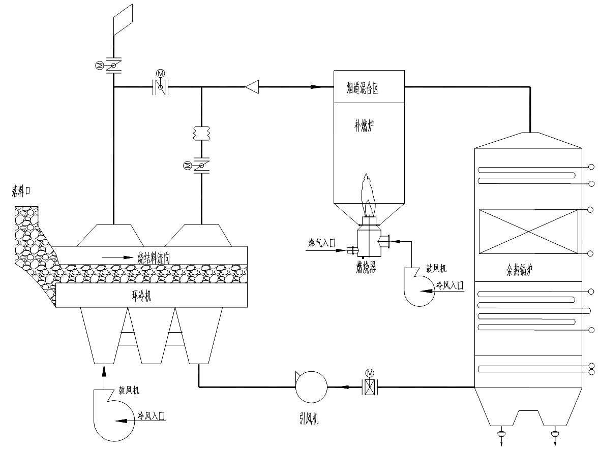
系统流程图(以烧结补燃为例):

工程业绩
余热回收系统
1、铜陵市某某钢铁有限公司1×6MW球团冷却改造及烧结余热综合利用发电项目
1座10m2竖炉球团生产线,日产球团矿约1600t。球团采用带式冷却机冷却,能回收320℃冷却烟气约12万Nm3/h,另有126m2步进式烧结机两台,配有一台240m2环式冷机。能回收350℃冷却烟气约22万Nm3/h。本项目新建一台32t/h的余热锅炉,回收利用烧结环冷机及球团带冷机余热,产生低压蒸汽,蒸汽作为汽轮机补汽汽源;汽轮发电机组发电功率约6MW。

余热补燃系统
1、广东某某机电工程有限公司云南曲靖呈钢余热发电工程项目1×180m2烧结环冷机余热补燃系统
本项目是回收利用云南曲靖钢铁集团呈钢钢铁有限公司的1台180m2烧结环冷机烟囱废气中的余热,将废气通过余热锅炉产生低压过热蒸汽用于汽轮发电机发电。1台180m2烧结环冷机配置一台余热锅炉,为单压立式自然循环锅炉,锅炉自带除氧器。

2、河北某某钢铁集团股份有限公司烧结余热发电系统补燃系统
河北津西钢铁现余热发电七炉两机配置,三炉一机运行。3台锅炉实际运行压力为1.5-2.0MPa,温度为290-350℃,均未达到设计值,汽轮机现在负荷仅能达到9-10MW,每吨烧结矿发电量8-12 度。我司通过增建补燃炉系统提升发电量,达到吨矿18~20度以上。

